600-ETS Advanced Electrolyzer Test System
Bench-top, fully integrated instrument for electrolyzer R&Dl
4 current range potentiostat (± 0.07 / 0.7 / 7 / 20 A, ±5 V) for accurate wide dynamic range current measurement.
- Bench-top, fully integrated instrument for electrolyzer R&Dl
- 4 current range potentiostat (± 0.07 / 0.7 / 7 / 20 A, ±5 V) for accurate wide dynamic range current measurement.
- Software controlled programmable Power Supply for operation up to 100 A / 5 V.
- Automated switching between Potentiostat and Power Supply mode.
- EIS and HFR (1 mHz to 10 kHz) in Potentiostat mode.
- FlowCell-ETS application software for complete system control,
experiment sequencing, graphing and data acquistion. - EIS data compatible with ZView, the world’s leading impedance analysis & equivalent circuit modelling software.
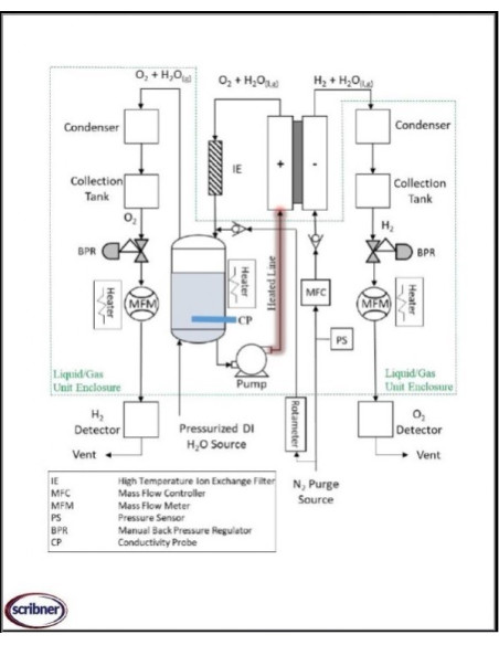
- In-line, real-time O2 and H2 product flow rate monitoring.
- Integrated back pressure to 2 barg.
- N2 purge on Cathode with Supplemental N2 on Anode.
- Anode feed water recycling or once-thru operating mode.
- In-line high-temperature Ion Exchange cartridge to maintain Anode feed water purity in recycle mode.
- Includes safety features: E-Stop, Over Voltage/Current, Over Temperature or Gas Detection shutdown.
- Integrated 892e Data Expansion Module for additional 8 temperature + 8 analog inputs, e.g., pressure transducers.
- In-line sensors for H2 in product O2 and O2 in product H2 monitoring with larm function for added safety.
| Cell Connections | 4-terminal (I+, I-, V+, V-) & differential Aux (REF) |
| Cell Potentiostat: | |
| Full Scale Current Ranges | ±20 / 7 / 0.7 / 0.07 A |
| Current Resolution: | 0.007% of range |
| Current Limit of Error | ±1.0% of range |
| Set and Read Voltage vs . WE | > ±5.000 V |
| Cell Voltage Sense Lead | Differential w/ driven shields |
| Voltage Measurement Resolution | 152 μV |
| Sense Lead Input Resistance | 1.0 GΩ |
| Modes of Operation | Constant, Scan, Step-Stair; V and I |
| Cell Power Supply: | |
| Maximum Current | 100 A |
| Voltage Range | 0 - 5.000 V |
| Power | Up to 500 W |
| Impedance Measurement (Potentiostat Mode): | |
| Frequency Range: | 1 mHz to 10 kHz |
| Measurement Types | Sweep EIS and single-frequency HFR real-time measurement, Whole Cell and Aux |
| Cell and Electrolyte Handling: | |
| Flow Path | All 316 SS |
| Feed Water Reservoir | 1 L, 316 SS, auto-water fill, conductivity probe |
| Feed Water Supply Pump | 50 – 400 mL/min, software controlled |
| Feed Water Temperature Range | Ambient to 95 oC |
| Ion exchanger / Deionizer | In-line water recycling loop |
| Back Pressure | Dual, 0-2 barg (0-30 PSIG), Manual |
| Cell Temperature Range | Ambient to 120 oC |
| Purge Gas | PC-controlled MFC on Negative; Manual on Positive |
| Water/Gas Separator/Dehumidifiers | 2 (Negative, Positive), condensers & collection tanks |
| Product Mass Flow Meters | 2 (1 SLM H2, 0.5 SLM O2) |
| Additional Data Acquisition (892e): | |
| Data Acquisition (892e): | 8 Temperature + 8 Analog (e.g., 0-5 V, 4-20 mA) |
| Options: | |
| In-Line Gas Sensors | H2 Transmitter for monitoring of H2 in Product O2 O2 Transmitter for monitoring of O2 in Product H2 |
| Physical and Environment: | |
| Operating Temperature | 5-35 oC |
| Power Source | 100-120 or 220-240 VAC, 50/60 Hz |
| Size (excluding tubing connections) | 53 cm x 53 cm x 90 cm (21 in. x 21 in. x 35.5 in.) |
| Weight | 64 kg (140 lb.) |
RELATED PRODUCTS:
.jpg)