- Inicio
- Quiénes Somos
- Productos
-
Marcas
-
Productos por Medida
- Analizador Vibración
- Bombas Peristálticas
- Caudal de Aire
- CO Monóxido Carbono
- Contador Geiger
- Destiladores
- Espectrofotometría
- Esterilización
- Fluorescencia
- Geotécnica
- Humedad del Suelo
- Índice de área foliar
- Lluvia (Pluviómetro)
- Meteorología
- Nivel de Agua
- O2 oxígeno
- pH
- Presión Diferencial
- Radiación
- Salinidad/Conductiv.
- Telemetría
- Velocidad de Aire
- HUMEDAD RELATIVA
- Veterinaria
- PILAS DE COMBUSTIBLE
- Analizadores de Red
- Calibradores
- Caudal de Agua
- Color/Colorímetro
- Contadores Partículas
- Dirección del Viento
- Espectrometría
- Evapotranspiración
- Fotosíntesis
- Grietas en Edificios
- Inspección Tuberías
- Luz Cuántica
- Movimiento y GPS
- Nivel Gasoil
- Oxígeno Disuelto DO
- Presión Atmosférica
- Radón
- Savia/Flujo de Savia
- Temperatura
- CALIDAD DEL AIRE
- Amoníaco
- Clorofila
- Conductividad Suelo
- Dendrómetros
- Electroquímica
- Espectroradiometría
- Farmacia y Medicina
- GAS (ANALIZADORES)
- Humedad de Hoja
- Idc (Corriente DC)
- KW & KW/H
- Luz PAR
- Nitrato
- Ocupación y Tiempo
- Particulas Aire
- Potencial Hídrico
- Pulsos
- Sabor/Gusto/Acidez
- Sodio
- Turbidez
- VOC
Actuador de Retorno por Resorte, Ref.: 361C-024-10-S2
Actuador de retorno por resorte para ajustar amortiguadores en instalaciones HVAC
- Motor de tiempo de funcionamiento: 150 s / 90 °
- Resorte de tiempo de funcionamiento: 20 s / 90 °
- Par motor: 10 Nm
- Muelle de par: 10 Nm
- Tensión nominal: 24 VAC / DC
- Control: control continuo (0) 2 ... 10 VDC
- Interruptor auxiliar: 2x ajustables libremente
- Tamaño de la compuerta: hasta aprox. 2 m²
- Acoplamiento del eje: abrazadera cuadrada 9-18 mm / redonda 9-26 mm
- Actuador de retorno por resorte
- 24 V CA / CC, continuo (0) 2… 10 V
- Par de apriete 10 Nm
- Tiempo de funcionamiento: motor 150 s / 90 ° / resorte 20 s / 90 °
- Conexión con cable de 1 m
- Señal de retroalimentación: (0) 2… 10 V, 2x Interruptor auxiliar
- Acoplamiento del eje: O 9-26 mm, cuadrado 9-18 mm
- Montaje con tira de montaje + tornillos
| Electrical data | |
|---|---|
| Nominal voltage | 24 VAC/DC, 50/60 Hz |
| Nominal voltage range | 19...29 VAC/DC |
| Power consumption motor (motion) | 5,0 W |
| Power consumption standby (end position) | 2,0 W |
| Wire sizing | 8,0 VA |
| Control | continuous control (0)2...10 VDC / Ri > (100 kΩ) 50 kΩ (0)4...20 mA |
| Feedback signal | (0)2...10 VDC, max. 5 mA |
| Auxiliary switch | 2 x SPDT (Ag) |
| Contact load | 5 (2,5) A, 250 VAC |
| Switching point | 0°...95° |
| Connection motor | cable 1000 mm, 4 x 0,75 mm² (halogen free) |
| Connection feedback potentiometer | - |
| Connection auxiliary switch | cable 1000 mm, 6 x 0,75 mm²(halogen free) |
| Connection GUAC | - |
| Functional data | |
| Torque motor | 10 Nm |
| Torque spring | 10 Nm |
| Damper size | up to approx. 2 m² |
| Synchronised speed | ±5% |
| Direction of rotation | selected by mounting |
| Manual override | manual operation |
| Angle of rotation | 0°...max. 95° can be limited with adjustable mechanical end stops |
| Running time motor | 150 s / 90° |
| Running time spring | 20 s / 90° |
| Sound power level motor | < 35 dB(A) |
| Sound power level spring | < 65 dB(A) |
| Shaft coupling | clamp ◊ 9-18 mm / Ø 9-26 mm |
| Position indication | mechanical with pointer |
| Service life | > 60 000 cycles (0°...95°...0°) > 1 000 000 partial cycles (max. ±5°) |
| Safety | |
| Protection class | III (safety extra-low voltage) |
| Degree of protection | IP 54 |
| EMC | CE (2014/30/EU) |
| LVD | CE (2014/35/EU) |
| RoHS | CE (2011/65/EU - 2015/863/EU - 2017/2102/EU) |
| Mode of operation | Typ 1 (EN 60730-1) |
| Rated impulse voltage | 0,8 kV (EN 60730-1) |
| Control pollution degree | 3 (EN 60730-1) |
| Ambient temperature normal operation | -30°C...+50°C |
| Storage temperature | -30°C...+80°C |
| Ambient humidity | 5...95% r.H., non condensing (EN 60730-1) |
| Maintenance | maintenance free |
| Dimensions / Weight | |
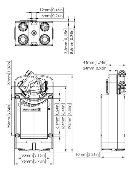
| Dimensions | 193 x 96 x 60 mm |
| Weight | 1700 g |
.jpg)
- ---------- INDUSTRIA ------------
- Actuador de Retorno por Resorte