DO9785T/DO9765T Transmissor de pH ou ORP
Os transmissores DO9785T ou DO9765T convertem a saída de um eletrodo de pH, compensado em temperatura, em um sinal de 4 ÷ 20 mA. O circuito de entrada do eletrodo de pH é isolado galvanicamente do sinal de saída 4 ÷ 20 mA.
Um indicador LCD permite ver o valor do sinal do processo e os vários parâmetros.
O design preciso e a seleção dos componentes oferecem um instrumento preciso e confiável ao longo do tempo.
O instrumento trabalha em conjunto com um eletrodo de pH ou Redox e uma sonda de temperatura (sensor Pt100, 100 Ω a 0 ° C).
- Função das teclas:
PRG:
- A programação dos parâmetros é ativada pressionando a tecla PRG mais as teclas ▲ e ▼. A escrita P1 aparece no visor para indicar que você está programando o parâmetro P1. Após pressionar a tecla PRG, são mostradas as gravadas P2, P3, P4, P5, P6, P7 e seus parâmetros. Então P7 retorna à operação normal.
SET:
- Chave para configurar o limite de intervenção dos relés. O símbolo ON ou OFF aparece no visor para indicar que o limite de conexão ou desconexão, o relé A ou o relé B está sendo exibido.
°C/°F:
- Ativar esta tecla altera a unidade de medida da temperatura em graus Celsius ou Fahrenheit.
- Em conjunto com a tecla CAL, ativa a função de ajuste manual da temperatura.
- Se ativado durante a função de calibração de pH, a função é emitida sem salvar a calibração.
pH/mV:
- Pressionar esta tecla altera a unidade de medida em mV ou pH.
- Em conjunto com a tecla CAL, ativa a função de calibração de pH.
OK:
Confirme os parâmetros de programação ou os valores dos relés SET e salve-os.
CAL:
- Em conjunto com a tecla ° C / ° F, ativa a função de ajuste manual da temperatura.
- Em conjunto com a tecla pH / mV, ativa a função de calibração de pH.
Tecla usada para confirmar a calibração de pH e ajuste de temperatura manual.
▲
- Chave para aumentar o valor exibido durante a programação dos parâmetros.
Durante a programação do relé SET.
Durante a calibração
▼
- Chave para diminuir o valor exibido durante a programação dos parâmetros.
- Durante a programação do relé SET.
- Durante a calibração.
- SET configuração de relés:
- Pressionando a tecla SET, os símbolos ON e A aparecem no display para indicar que o valor exibido corresponde ao limite de conexão do relé A.
- Para alterar este valor, pressione as teclas ▲ e ▼.
- Pressionando SET, os símbolos OFF e A aparecem para indicar que o limite de desconexão do relé A é exibido.
- Para alterar este valor, pressione as teclas ▲ e ▼.
- Pressionando a tecla SET, os símbolos ON e B aparecem no display para indicar que o valor exibido corresponde ao limite de conexão do relé A.
- Para alterar este valor, pressione as teclas ▲ e ▼.
- Pressionando SET, os símbolos OFF e B aparecem para indicar que o limite de desconexão do relé B é exibido.
- Para alterar este valor, pressione as teclas ▲ e ▼.
- Pressionando SET, o instrumento salva e retorna à operação normal.
NOTA: Durante a configuração de SET (símbolo ON ou OFF aceso), o instrumento retorna à operação normal se nenhuma tecla for pressionada por 2 minutos.
- Ajuste de temperatura para compensação manual:
Se a sonda de temperatura não estiver conectada ou a sonda for interrompida, a unidade de medição ° C ou ° F pisca. Nesse caso, o valor de compensação de temperatura pode ser definido manualmente.
- Pressione as teclas CAL e ° C / ° F temporariamente, a CAL escrita aparece na parte inferior do visor.
- Usando as teclas ▲ e ▼, defina o valor da temperatura correspondente ao
temperatura do líquido para o qual o pH deve ser medido.
- Pressione CAL para confirmar o valor. A CAL escrita desaparece.
- Calibração do DO9785T / DO9765T com eletrodo de pH:
Calibração do offset do eletrodo de pH:
- Mergulhe o eletrodo na solução tampão usada para calibrar o offset (pH 6,86).
- Pressione as teclas CAL e pH / mV ao mesmo tempo, a CAL escrita aparece na parte inferior do visor.
- Usando as teclas ▲ e ▼, ajuste o valor do pH medido de acordo com a temperatura do líquido.
- Pressione CAL para confirmar este valor. A CAL escrita desaparece.
Calibração da inclinação do eletrodo de pH:
- Mergulhe o eletrodo na solução tampão usada para calibrar a inclinação (pH de 4,01 ou 9,18).
- Pressione as teclas CAL e pH / mV ao mesmo tempo, a CAL escrita aparece na parte inferior do visor.
- Usando as teclas ▲ e ▼, ajuste o valor do pH medido de acordo com a temperatura do líquido.
- Pressione CAL para confirmar este valor. A CAL escrita desaparece.
NOTA: Se você quiser sair sem salvar a nova calibração, pressione a tecla °C/°F.
NOTA: O instrumento pode reconhecer automaticamente três soluções de calibração padrão: pH 4.01, pH 6.86 e 9.18 pH.
- Parâmetros de programação:
P1 Unidade de controle de relé e saída analógica, pH ou mV.
P2 Valor de PH / mV correspondente à saída de 4 mA. Configurável entre -1,00
pH ... 15,00 pH ou -1999 mV ... + 1999 mV.
P3 Valor de PH / mV correspondente à saída de 20 mA. Configurável entre -1,00
pH ... 15,00 pH ou -1999 mV ... + 1999 mV.
P4 Tempo de atraso no intervalo do relé A. Configurável entre 0 e 255 segundos.
P5 Tempo de atraso no intervalo do relé B. Configurável entre 0 e 255 segundos.
P6 Calibração da sonda Pt100, calibração de saída de corrente, calibração de tensão de entrada. (Calibrações da empresa para realizar no laboratório com pessoal especializado.)
P7 Exibição do valor de tensão de deslocamento e valor de inclinação do eletrodo.
Para alterar um desses parâmetros, pressione a tecla PRG até que o parâmetro correspondente ao parâmetro a ser alterado apareça no mostrador. Use as teclas ▲ e ▼ para trazer o parâmetro exibido ao valor desejado. Pressione OK para confirmar. O parâmetro P7 não pode ser alterado.
- Calibração de tensão de entrada (calibração pela empresa a ser realizada no laboratório com pessoal especializado)
- Pressione a tecla PRG até que a escrita P6 apareça no mostrador.
- Pressione a tecla CAL quatro vezes. Na parte superior do display aparece a CAL escrita e na parte inferior o valor da entrada em mV.
- Ao entrar, simule uma tensão de 0 mV (se a tensão for comprimida entre ± 25 mV, o zero é calibrado, enquanto a escala profunda é calibrada).
- Usando as teclas ▲ e ▼, ajuste o valor da voltagem para exibir o valor correto da voltagem.
- Pressione as teclas ▲ e ▼. A indicação ON no display mostra que o instrumento está medindo a tensão na entrada, usando a segunda escala de medição.
- Usando as teclas ▲ e ▼, ajuste o valor da voltagem para exibir o valor correto da voltagem.
- Pressionando a tecla ▲ e ▼, a indicação ON se apaga no display.
- Ao entrar, simule uma voltagem de 450 mV, correspondente à escala profunda da primeira escala.
- Usando as teclas ▲ e ▼, ajuste o valor da voltagem para exibir o valor correto da voltagem.
- Ao entrar, simule uma voltagem de 1.800 mV, correspondente à escala profunda da segunda escala.
- Usando as teclas ▲ e ▼, ajuste o valor da voltagem para exibir o valor correto da voltagem.
- Pressione OK para confirmar.
- Calibração da sonda Pt100 (100 Ω a 0 ° C) (calibração pela empresa a ser realizada no laboratório com pessoal especializado)
- Conecte a ponta de prova Pt100 ao instrumento. Pressione a tecla PRG até que a escrita P6 apareça no mostrador.
- Pressionando a tecla CAL, na parte inferior do display aparece a CAL escrita e a temperatura é mostrada no topo.
- Mergulhe a sonda Pt100 e um termômetro de precisão de referência no banho de calibração zero. Aguarde o tempo necessário para estabilizar a leitura.
- Usando as teclas ▲ e ▼, ajuste o valor da temperatura medida pela sonda Pt100 para corresponder ao valor do termômetro de referência de precisão.
- Mergulhe a onda Pt100 e um termômetro de precisão no banho de calibração em escala profunda. Aguarde o tempo necessário para estabilizar a leitura.
- Usando as teclas ▲ e ▼, ajuste o valor da temperatura medida pela sonda Pt100 para corresponder ao valor do termômetro de referência de precisão.
- Pressione OK para confirmar.
NOTA: Se a temperatura exibida pelo instrumento for comprimida em ± 12 ° C, o instrumento calibra o desvio da ponta de prova. Contra, calibre o ganho.
- Calibração da saída analógica (calibração pela empresa a ser realizada no laboratório com pessoal especializado)
- Pressione a tecla PRG até que a escrita P6 apareça no mostrador.
- Conecte um miliamperímetro de precisão à saída analógica.
- Pressione a tecla CAL duas vezes Na parte superior do visor aparece a CAL escrita e na parte inferior a escrita 4.0 para indicar a calibração de acordo com 4 mA.
- Usando as teclas ▲ e ▼, ajuste o valor da corrente de saída para ter uma indicação de 4,0 mA no miliamperímetro de precisão.
- Pressione a tecla CAL. Na parte superior do display aparece a CAL escrita e na parte inferior a escrita 20.0 para indicar a calibração de acordo com 20 mA.
- Usando as teclas ▲ e ▼, ajuste o valor da corrente de saída para ter uma indicação de 20,0 mA no miliamperímetro de precisão.
- Pressione OK para confirmar.
- Visualizador:
Símbolo
°C o valor mostrado está em ° C.
°F o valor mostrado está em ° F.
pH a magnitude mostrada é pH.
mV a magnitude mostrada é miliVolt.
A O relé A está fechado.
B O relé B está fechado.
ON o valor exibido corresponde ao limite de fechamento dos contatos do relé A ou B;
OFF o valor exibido corresponde ao limite de abertura dos contatos do relé A ou B;
- Sinal de erro:
OFL -Sinal que aparece durante a medição quando o valor a ser exibido está fora da escala.
E1 - Sinal de erro que aparece durante a fase de calibração de pH para indicar que o valor de correção do eletrodo é muito alto em valor absoluto.
E2 - Sinal de erro que aparece durante a fase de calibração de pH para indicar que as duas soluções tampão usadas para a calibração fornecem uma leitura em mV muito diferente uma da outra.
E3 - Sinal de erro que aparece durante a fase de calibração de pH para indicar que as duas soluções tampão usadas para a calibração fornecem uma leitura em mV muito próxima uma da outra (aproximadamente 50 mV a 25 ° C).
E4 - Erro de leitura na EEPROM.
E5 - Sinal de erro que aparece para indicar que o cálculo da pendência do
eletrodo (inclinação) fornece um valor menor que 20% em relação ao valor nominal ou fornece um valor negativo.
E6 - Sinal de erro que aparece para indicar que o cálculo da pendência (declive) fornece um valor inferior a 150% em relação ao valor nominal.
- Códigos de Pedido:
DO9785T: Transmissor de pH 4 ÷ 20 mA passivo ou ativo, fonte de 24 Vac com display duplo, 96x96 mm por quadro.
DO9765T: Transmissor de pH 4 ÷ 20 mA passivo ou ativo, fonte de alimentação 24 Vac com display duplo, 122x120 mm por campo.
HD882 M100/300: Sensor de temperatura do sensor Pt100, cabeça, haste Ø 6x300 mm.
HD882 DM100/300: Sonda de temperatura do sensor Pt100, cabeça DIN B, haste Ø6x300 mm. para transmissores de temperatura.
HD8642: Solução tampão 4,01 pH.
HD8672: Solução tampão 6.86 pH.
HD8692: Solução tampão 9.18 pH.
HDR220: Solução tampão redox 220mV.
HDR468: Solução tampão redox 468mV.
HD62PT: Limpeza dos diafragmas (tioureia em HCl) - 500 ml.
HD62PP: Limpeza de proteínas (pepsina em HCl) - 500 ml.
HD62RF: Regeneração (ácido fluorídrico) - 100ml.
HD62SC: Solução para a preservação dos eletrodos - 200ml. CP5: cabo de extensão 5 m. Conector / fio S7.
CP5/10: Cabo de extensão de 10m. Conector / rosca S7.
CP5S: Cabo de extensão 5 m. Conector BNC / S7.
CP5S/10: Cabo de extensão de 10m. Conector BNC / S7.
KPI10: Eletrodo industrial combinado, conector S7 PG13.5, gel, corpo de vidro, Ag / AgCI sat. KCl Ø 12x12mm, temperatura 0 ... 130 ° C, conexão de Teflon porosa.
KPI11: Eletrodo industrial combinado, conector S7, conexão NPT, corpo Rytron, Ag / AgCl sat KCl, temperatura 0 ... 100 ° C, conexão porosa de Teflon.
KPI12: Eletrodo redox de platina, conector S7 PG13.5, pressão 6 bar, vidro, Ag / AgCl sat KCl.
KPI13: Eletrodo redox de platina, corpo de RyClon S7 PG13.5 Ag / AgCl sat KCl.
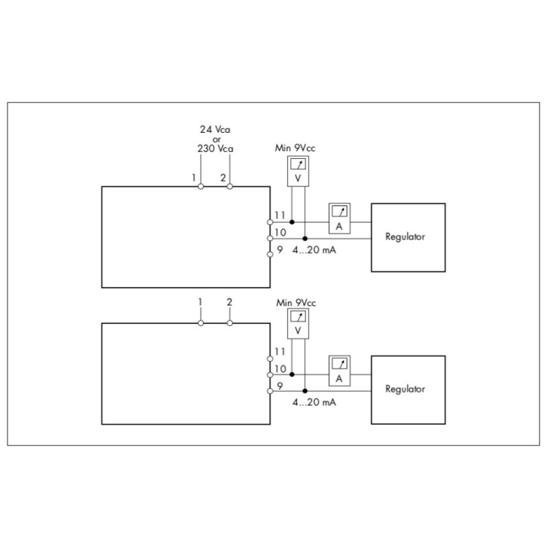
Montagem em painel de pH ou mV totalmente configurável.
96x96 mm com LCD duplo (medição + temperatura).
Saída 4 ... 20mA isolada com 2 fios passivos ou com 4 fios ativos.
Alimentação em modo ativo 24Vac, a pedido 230Vac, em modo passivo 10 ... 35Vdc.

- O Sensor mede:
- pH
Também poderá gostar