DO9785T/DO9765T Transmisor de pH o ORP
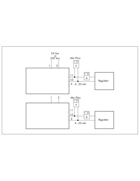
Los transmisores DO9785T o DO9765T convierten la salida de un electrodo de pH, compensado en temperatura, en una señal 4÷20 mA. El circuito de entrada del electrodo de pH está galvánicamente aislado de la señal de salida 4÷20 mA.
Un indicador de LCD permite ver el valor de la seÒal de proceso y los distintos parámetros.
El preciso diseño y la selección de los componente ofrecen un instrumento preciso y fiable en el tiempo.
El instrumento trabaja en conjunto con un electrodo de pH o Redox y una sonda de temperatura (sensor Pt100, 100 Ω a 0°C).
Un indicador de LCD permite ver el valor de la seÒal de proceso y los distintos parámetros.
El preciso diseño y la selección de los componente ofrecen un instrumento preciso y fiable en el tiempo.
El instrumento trabaja en conjunto con un electrodo de pH o Redox y una sonda de temperatura (sensor Pt100, 100 Ω a 0°C).
- Función de las teclas:
PRG:
- La programación de los parámetros se activa, pulsando la tecla PRG más las teclas ▲ y ▼. En el visualizador aparece la escrita P1 para indicar que está programando el parámetro P1. Siguiendo a pulsar la tecla PRG, se muestran las escritas P2, P3, P4, P5, P6, P7 y sus parámetros. Después P7 se vuelve al funcionamiento normal.
SET:
- Tecla para configurar el umbral de intervención de los relés. En el visualizador aparece el símbolo ON o OFF para indicar que se está visualizando el umbral de conexión o desconexión, del relé A o del relé B.
°C/°F:
- Activando esta tecla, se cambia la unidad de medida de la temperatura en grados Celsius o Farenheit.
- En conjunto con la tecla CAL, activa la función de configuración manual de la temperatura.
- Si accionado durante la función de calibración del pH sale la función sin guardar la calibración.
pH/mV:
- Pulsando esta tecla, se cambia la unidad de medida en mV o pH.
- En conjunto con la tecla CAL, activa la función de calibración pH.
OK:
Confirma los parámetros de programación o los valores de SET relés y los guarda.
CAL:
- En conjunto con la tecla °C/°F , activa la función de configuración manual de la temperatura.
- En conjunto con la tecla pH/mV, activa la función de calibración del pH.
Tecla usada para confirmar la calibración del pH y la configuración manual de la temperatura.
▲
- Tecla para aumentar el valor visualizado durante la programación de los parámetros.
Durante la programación del SET de los relés.
Durante la calibración.
▼
- Tecla para disminuir el valor visualizado durante la programación de los parámetros.
- Durante la programación del SET de los relés.
- Durante la calibración.
- Configuración del SET de los relés:
- Pulsando la tecla SET, en el visualizador aparecen los símbolos se encienden ON y A para indicar que el valor visualizado corresponde al umbral de conexión del relé A.
- Para cambiar este valor, pulsar las teclas ▲ y ▼.
- Pulsando SET, aparecen los símbolos OFF y A para indicar que se está visualizado el umbral de desconexión del relé A.
- Para cambiar este valor, pulsar las teclas ▲ y ▼.
- Pulsando la tecla SET, en el visualizador aparecen los símbolos ON y B para indicar que el valor visualizado corresponde al umbral de conexión del relé A.
- Para cambiar este valor, pulsar las teclas ▲ y ▼.
- Pulsando SET, aparecen los símbolos OFF y B para indicar que se está visualizado el umbral de desconexión del relé B.
- Para cambiar este valor, pulsar las teclas ▲ y ▼.
- Pulsando SET, el instrumento guarda y vuelve al funcionamiento normal.
NOTA: Durante la configuración de SET (símbolo ON o OFF encendidos), el instrumento vuelve al funcionamiento normal si no se pulsa ninguna tecla para 2 minutos.
- Configuración de la temperatura para la compensación manual:
Si la sonda de temperatura no está conectada o la sonda está interrumpida, la unidad de medida °C o °F relampaguea. En este caso, se puede configurar manualmente el valor de compensación de la temperatura.
- Pulsar las teclas CAL y °C/°F con temporaneamente, en la parte inferior del visualizador aparece la escrita CAL.
- Con las teclas ▲ y ▼, configurar el valor de temperatura correspondiente a la
temperatura del líquido de lo que se quiere medir el pH.
- Pulsar CAL para confirmar el valor. La escrita CAL desaparece.
- Calibración de DO9785T/DO9765T con electrodo de pH:
Calibración del offset del electrodo de pH:
- Sumergir el electrodo en la solución tampón usada para calibrar el offset (6,86 pH).
- Pulsar las teclas CAL y pH/mV contemporaneamente, en la parte inferior del visualizador aparece la escrita CAL.
- Con las teclas ▲ y ▼, configurar el valor del pH medido según la temperatura del líquido.
- Pulsar CAL para confirmar este valor. La escrita CAL desaparece.
Calibración del slope del electrodo de pH:
- Sumergir el electrodo en la solución tampón usada para calibrar el slope (4,01 o 9,18 pH).
- Pulsar las teclas CAL y pH/mV contemporáneamente, en la parte inferior del visualizador aparece la escrita CAL.
- Con las teclas ▲ y ▼, configurar el valor del pH medido según la temperatura del líquido.
- Pulsar CAL para confirmar este valor. La escrita CAL desaparece.
NOTA: Si se desea salir sin guardar la nueva calibración, pulsar la tecla °C/°F.
NOTA: El instrumento puede reconocer automáticamente tres soluciones estándar de calibración: 4,01 pH, 6,86 pH y 9,18 pH.
- Programación de los parámetros:
P1 Unidad de control relés y salida analógica, pH o mV.
P2 Valor de pH/mV correspondiente a 4 mA en salida. Configurable entre -1,00
pH...15,00 pH o -1999 mV...+1999 mV.
P3 Valor de pH/mV correspondiente a 20 mA en salida. Configurable entre -1,00
pH...15,00 pH o -1999 mV...+1999 mV.
P4 Tiempo de retraso en el intervalo del relé A. Configurable entre 0 y 255 segundos.
P5 Tiempo de retraso en el intervalo del relé B. Configurable entre 0 y 255 segundos.
P6 Calibración de la sonda Pt100, calibración salida en corriente, calibración entrata en tensión. (Calibraciones por la empresa a realizar en el laboratorio con personal experto.)
P7 Visualización del valor de tensión de offset y del valor de slope del electrodo.
Para cambiar uno de estos parámetros, pulsar la tecla PRG hasta que en el visualizador aparece la escrita correspondiente al parámetro a cambiar. Con las teclas ▲ y ▼ llevar el parámetro visualizado al valor deseado. Pulsar OK para confirmar. El parámetro P7 no se puede cambiar.
- Calibración entrada en tensión (calibración por la empresa a realizar en el laboratorio con personal experto)
- Pulsar la tecla PRG hasta que en el visualizador aparece la escrita P6.
- Pulsar cuatro veces la tecla CAL. En la parte superior del visualizador aparece la escrita CAL y en la parte inferior el valor de la entrada en mV.
- Cuando se entra ,simular una tensión de 0 mV (si la tensión está comprimida entre ±25 mV, se calibra el cero. En contra, se calibra el hondo escala).
- Con las teclas ▲ y ▼, ajustar el valor de la tensión para visualizar el valor de tensión correcto.
- Pulsar la tecla ▲ y ▼. En el visualizador se enciende la indicación ON que muestra que el instrumento está midiendo la tensión que hay a la entrada, usando la segunda escala de medida.
- Con las teclas ▲ y ▼, ajustar el valor de la tensión para visualizar el valor de tensión correcto.
- Pulsando la tecla ▲ y ▼, en el visualizador se apaga la indicación ON.
- Cuando se entra, simular una tensión de 450 mV, correspondiente al hondo escala de la primera escala.
- Con las teclas ▲ y ▼, ajustar el valor de la tensión para visualizar el valor de tensión correcto.
- Cuando se entra, simular una tensión de 1.800 mV, correspondiente al hondo escala de la segúnda escala.
- Con las teclas ▲ y ▼, ajustar el valor de la tensión para visualizar el valor de tensión correcto.
- Pulsar OK para confirmar.
- Calibración de la sonda Pt100 (100 Ω a 0°C) (calibración por la empresa a realizar en el laboratorio con personal experto)
- Conectar la sonda Pt100 al instrumento. Pulsar la tecla PRG hasta que en el visualizador aparece la escrita P6.
- Pulsando la tecla CAL, en la parte inferior del visualizador aparece la escrita CAL y enla superior se muestra le temperatura.
- Sumergir la sonda Pt100 y un termómetro de precisión de referencia en el baño de calibración de cero. Esperar el tiempo necesario para estabilizar la lectura.
- Con las teclas ▲ y ▼, ajustar el valor de la temperatura medida por la sonda Pt100 para que corresponda al valor del termómetro de precisión de referencia.
- Sumergir las onda Pt100 y un termómetro de precisión en el baño de calibración de hondo escala. Esperar el tiempo necesario para estabilizar la lectura.
- Con las teclas ▲ y ▼, ajustar el valor de la temperatura medida por la sonda Pt100 para que corresponda al valor del termómetro de precisión de referencia.
- Pulsar OK para confirmar.
NOTA: Si la temperatura visualizada por el instrumento está comprimida entre ±12°C, el instrumento calibra el offset de la sonda. En contra, calibra la ganancia.
- Calibración de la salida analógica (calibración por la empresa a realizar en el laboratorio con personal experto)
- Pulsar la tecla PRG hasta que en el visualizador aparece la escrita P6.
- Conectar un miliamperímetro de precisión a la salida analógica.
- Pulsar dos veces la tecla CAL.En la parte superior del visualizador aparece la escrita CAL y en la parte inferior la escrita 4.0 para indicar la calibración según 4 mA.
- Con las teclas ▲ y ▼, ajustar el valor de la corriente de salida para tener una indicación de 4,0 mA en el miliamperímetro de precisión.
- Pulsar la tecla CAL. En la parte superior del visualizador aparece la escrita CAL y en la parte inferior la escrita 20.0 para indicar la calibración según 20 mA.
- Con las teclas ▲ y ▼, ajustar el valor de la corriente de salida para tener una indicación de 20,0 mA en el miliamperímetro de precisión.
- Pulsar OK para confirmar.
- Visualizador:
Símbolo
°C el valor mostrado es en °C.
°F el valor mostrado es en °F.
pH la magnitud mostrada es pH.
mV la magnitud mostrada es miliVolt.
A el relé A está cerrado.
B el relé B está cerrado.
ON el valor mostrado corresponde al umbral de cierre de los contactos del relé A o B;
OFF el valor mostrado corresponde al umbral de apertura de los contactos del relé A o B;
- Señal de error:
OFL -Señal que aparece durante la medida cuando el valor a mostrar está fuera de la escala.
E1 - Señal de error que aparece durante la fase de calibración de pH para indicar que el valor de offset del electrodo es demasiado alto en valor absoluto.
E2 - Señal de error que aparece durante la fase de calibración de pH para indicar que las dos soluciones tampón usadas para la calibración proporcionan una lectura en mV demasiado distintas entre sí.
E3 - Señal de error que aparece durante la fase de calibración de pH para indicar que las dos soluciones tampón usadas para la calibración proporcionan una lectura en mV demasiado cercanas entre sí (aprox. 50 mV a 25°C).
E4 - Error de lectura en el EEPROM.
E5 - Señal de error que aparece para indicar que el cálculo de la pendencia del
electrodo (slope) proporciona un valor inferior del 20% con respecto al valor nominal o proporciona un valor negativo.
E6 - Señal de error que aparece para indicar que el cálculo de la pendencia (slope) proporciona un valor inferior del 150% con respecto al valor nominal.
- Códigos de Pedido:
DO9785T: Transmisor de pH 4÷20 mA pasivo o activo, alimentación 24 Vca con doble visualización, 96x96 mm por cuadro.
DO9765T: Transmisor de pH 4÷20 mA pasivo o activo, alimentación 24 Vca con doble visualización, 122x120 mm por campo.
HD882 M100/300: Sonda de temperatura sensor Pt100, cabecita, vástago Ø 6x300 mm.
HD882 DM100/300: Sonda de temperatura sensor Pt100, cabeza DIN B, vástago Ø6x300 mm. para transmisores de temperatura.
HD8642: Solución tampón 4,01 pH.
HD8672: Solución tampón 6,86 pH.
HD8692: Solución tampón 9,18 pH.
HDR220: Solución tampón redox 220mV.
HDR468: Solución tampón redox 468mV.
HD62PT: Limpieza de los diafragmas (tiourea en HCl) - 500 ml.
HD62PP: Limpieza de las proteínas (pepsina en HCl) - 500 ml.
HD62RF: Regeneración (acido fluorhídrico) - 100ml.
HD62SC: Solución para la conservación de los electrodos - 200ml. CP5: Cable de prolongación de 5 m. Conector S7/hilo.
CP5/10: Cable de prolongación de 10m. Conector S7/hilo.
CP5S: Cable de prolongación de 5 m. Conector BNC/S7.
CP5S/10: Cable de prolongación de 10m. Conector BNC/S7.
KPI10: Electrodo industrial combinado, conector S7 PG13.5, gel, cuerpo de vidrio, Ag/AgCI sat. KCl Ø 12x12mm, temperatura 0...130°C, unión teflón poroso.
KPI11: Electrodo industrial combinado, conector S7, conexión æî NPT, cuerpo de Rytron, Ag/AgCl sat KCl, temperatura 0...100°C, unión teflón poroso.
KPI12: Electrodo redox Platino, conector S7 PG13.5, presión 6 bar, de vidrio, Ag/AgCl sat KCl.
KPI13: Electrodo redox Platino, cuerpo de Rytron S7 PG13.5 Ag/AgCl sat KCl.
Montaje en panel pH o mV completamente configurable.
96x96 mm con doble LCD (medida + temperatura).
Salida 4 ... 20mA aislada con 2 hilos pasivos o con 4 hilos activos.
Alimentación en modo activo 24Vac, bajo pedido 230Vac, en modo pasivo 10 ... 35Vdc.

- El Sensor mide:
- pH
SENSORES y SONDAS
SENSORES y SONDAS
SPTKI12 Sonda Industrial Combinada de Conductividad y Temperatura Pt100 de 4 hilos
También podría interesarle