- Inicio
- Quiénes Somos
- Productos
-
Marcas
-
Productos por Medida
- Analizador Vibración
- Bombas Peristálticas
- Caudal de Aire
- CO Monóxido Carbono
- Contador Geiger
- Destiladores
- Espectrofotometría
- Esterilización
- Fluorescencia
- Geotécnica
- Humedad del Suelo
- Índice de área foliar
- Lluvia (Pluviómetro)
- Meteorología
- Nivel de Agua
- O2 oxígeno
- pH
- Presión Diferencial
- Radiación
- Salinidad/Conductiv.
- Telemetría
- Velocidad de Aire
- HUMEDAD RELATIVA
- Veterinaria
- PILAS DE COMBUSTIBLE
- Analizadores de Red
- Calibradores
- Caudal de Agua
- Color/Colorímetro
- Contadores Partículas
- Dirección del Viento
- Espectrometría
- Evapotranspiración
- Fotosíntesis
- Grietas en Edificios
- Inspección Tuberías
- Luz Cuántica
- Movimiento y GPS
- Nivel Gasoil
- Oxígeno Disuelto DO
- Presión Atmosférica
- Radón
- Savia/Flujo de Savia
- Temperatura
- CALIDAD DEL AIRE
- Amoníaco
- Clorofila
- Conductividad Suelo
- Dendrómetros
- Electroquímica
- Espectroradiometría
- Farmacia y Medicina
- GAS (ANALIZADORES)
- Humedad de Hoja
- Idc (Corriente DC)
- KW & KW/H
- Luz PAR
- Nitrato
- Ocupación y Tiempo
- Particulas Aire
- Potencial Hídrico
- Pulsos
- Sabor/Gusto/Acidez
- Sodio
- Turbidez
- VOC
Español
EUR €
AO-Mi550 Analizador Trifásico portátil para Calidad de Energía Eléctrica
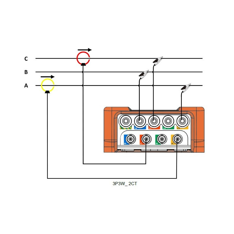
◆ El analizador portátil de calidad de energía trifásica Mi550 se conecta externamente con bobinas Rogowski de tipo abierto o CT de voltaje.
◆ Es adecuado para:
- realizar pruebas de cables sin desmontar
- simplificar los pasos de prueba
- ahorro de costes de construcción
- pruebas de ingeniería
- inspección y mantenimiento de sistemas de distribución
◆ Sistemas de apoyo de monofásicos y trifásicos. Puede medir múltiples parámetros eléctricos como la corriente, el voltaje, el factor de potencia, la potencia, la energía y los parámetros de calidad de la potencia, incluidos los armónicos, el grado de desequilibrio, el aumento de voltaje y la caída de voltaje, etc.
◆ Además de sus funciones de medición, el Mi550 está equipado con varios registros, como registros de forma de onda y registros de valores de medición de intervalos programables. Para almacenar y registrar datos, está integrado internamente en una tarjeta de memoria de 32 GB.
◆ Con la configuración estándar de la interfaz de comunicación Ethernet RJ45, a través de los protocolos Modbus TCP estándar, el Mi550 es compatible con varios sistemas de configuración y puede transmitir los parámetros eléctricos recopilados por el front-end al centro de datos del sistema en tiempo real.
.jpg)
- Entorno de Uso
- Interior
- Tipo de Registrador
- Energía Eléctrica
- Parámetros Medidos
- V, A, W, Wh, Hz, VA, VAr, THD, grados
- Aplicación
- Energía y Consumo
- Con Display
- LCD Color
- Comunicaciones
- Ethernet
SENSORES y SONDAS
También podría interesarle
Los clientes que adquirieron este producto también compraron:
Productos más vistos
Laboratorio, Vacunas, Farmacia, Transportes y Almacenaje
TI-21 (Pack-1000 uds.) Indicador de temperatura. Cumple con los estándares de calidad...
Laboratorio, Vacunas, Farmacia, Transportes y Almacenaje
CX502 Registrador de Datos de Temperatura de un Solo Uso InTemp Bluetooth Low Energy de...
16 otros productos en la misma categoría:
PARA INTERIOR E INTEMPERIE
HD 50 14bNB…I… TCV Registrador de Datos de Temperatura, Humedad, Presión Atmosférica,...
PARA ENERGIA ELECTRICA
Analizador de energía y administrador de datos web Wi-Fi LYRA ECT NET
REGISTRADORES PARA MONITORIZACIÓN DE ENERGÍA
EC-3A-RS Registrador de Datos Trifásicos de Corriente y Energia
PARA INTERIOR E INTEMPERIE
SL-3V Data Logger Optimizador de Voltaje y Energía
ADQUISICION DE DATOS
RSTAR L900 Adquisición de datos inalámbrica para instrumentos geotécnicos
PARA INTERIOR E INTEMPERIE
DC-3V-RS Registrador de voltaje de tres canales (rango doble)
ANALIZADORES DE REDES ELÉCTRICAS
PQM4000 Monitor de Calidad de Energía según Estandar EN 50160
PARA INTERIOR E INTEMPERIE
HD33M4b.2 HD33M.GSM Data Logger Delta-Ohm para Estaciones Meteorológicas, equipado con...
PARA INTERIOR E INTEMPERIE