- Inicio
- Quiénes Somos
- Productos
-
Marcas
-
Productos por Medida
- Analizador Vibración
- Bombas Peristálticas
- Caudal de Aire
- CO Monóxido Carbono
- Contador Geiger
- Destiladores
- Espectrofotometría
- Esterilización
- Fluorescencia
- Geotécnica
- Humedad del Suelo
- Índice de área foliar
- Lluvia (Pluviómetro)
- Meteorología
- Nivel de Agua
- O2 oxígeno
- pH
- Presión Diferencial
- Radiación
- Salinidad/Conductiv.
- Telemetría
- Velocidad de Aire
- HUMEDAD RELATIVA
- Veterinaria
- PILAS DE COMBUSTIBLE
- Analizadores de Red
- Calibradores
- Caudal de Agua
- Color/Colorímetro
- Contadores Partículas
- Dirección del Viento
- Espectrometría
- Evapotranspiración
- Fotosíntesis
- Grietas en Edificios
- Inspección Tuberías
- Luz Cuántica
- Movimiento y GPS
- Nivel Gasoil
- Oxígeno Disuelto DO
- Presión Atmosférica
- Radón
- Savia/Flujo de Savia
- Temperatura
- CALIDAD DEL AIRE
- Amoníaco
- Clorofila
- Conductividad Suelo
- Dendrómetros
- Electroquímica
- Espectroradiometría
- Farmacia y Medicina
- GAS (ANALIZADORES)
- Humedad de Hoja
- Idc (Corriente DC)
- KW & KW/H
- Luz PAR
- Nitrato
- Ocupación y Tiempo
- Particulas Aire
- Potencial Hídrico
- Pulsos
- Sabor/Gusto/Acidez
- Sodio
- Turbidez
- VOC
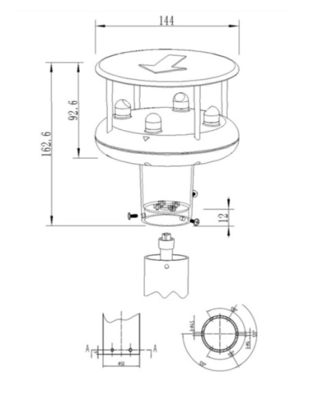
HY-WDS2E Anemómetro Ultrasónico de Alta Resolución y Precisión
HY-WDS2E Anemómetro ultrasónico 2D es un sensor ultrasónico de velocidad del viento y dirección del viento. Está diseñado para medir simultáneamente las componentes horizontales bidimensionales de la velocidad y dirección del viento. Utilizando carcasa de ABS, el peso es más ligero y la estructura es más estable. Construido en propio módulo de calefacción inteligente, puede funcionar normalmente bajo el frío y el clima helado.
► Utilizado principalmente en la carretera, la meteorología, la plataforma de perforación, el canal, el puerto, la generación de energía eólica, el envío y la estación meteorológica automática, etc.
► Características:
- Sin partes móviles, sin mantenimiento
- Usar una carcasa de plástico de ingeniería que lo haga más ligero
- Adopta el tipo reflector de sonda ultrasónica, la estructura es más compacta
- Uso de tecnología de compensación de fase acústica, alta precipitación

- El Sensor mide:
- Velocidad/Dirección Viento
- Señal de Salida:
- 4-20 mA ó RS485
- Alimentación:
- 5Vdc - 30Vdc
- Clasificación IP del Sensor
- IP65
- Sensor para uso en:
- Intemperie
- Comunicación
- RS485, RS232 & SDI-12